Tashika Boeki title header Tashika Boeki Japanese page Go to Tashika top
Tashika Boeki title header2 Go to Tashika top Go to Tashika products Go to "About us" Go to Tashika  "Contact us"
Home> Products > Environmental Protection Instruments top
Title bar - products
Title bar - Environment protection instruments, products

RELATIVE HUMIDITY TRANSDUCER
MODEL TA-502/TA-503

Excellent durability
The sensor has an excellent durability in dry as well as wet atmospheres over the entire temperature range.

Interchangeability
The sensor can easily be replaced within 2%rH accuracy without any calibration or adjustment.

View PDF Catalogue View PDF Catalogue

 

 

Portable Oxygen Analyzer TB-FI series

From Left: 1) Flexible cable type 2) Pressure resisting type, 3) Rigid probe type & 4) Duct type transducer


FEATURES

Wide measuring range

Relative humidity (rH): 0~100% <br>
Temperature:&nbsp;-25~100°C (sensor head)&nbsp; &nbsp;-5~55°C (Electronics)


DESCRIPTION


TA-502/TA-503 uses a special rH sensor TI-A which has been designed and developed to meet the demand of high quality measurement of relative humidity. TA-502/TA-503 has compact light weight design. It is available with rigid metal type, flexible cable type or duct type sensor heads. Options like LCD/LED display and temperature sensing or transmitting circuit. If required EMI shielded or extended length sensor and/or output cable can be provided. Analog 4~20mA output is available for 0~100% rH scale. TA-502/TA-503 is ideally suited for various industrial applications where long term accuracy and stability is important.


HUMIDITY SENSOR TI-A
High temperature humidity sensor

TI-A has been developed utilizing next generation humidity sensing A-polymer.

HUMIDITY SENSOR TI-A

Standard TI-A sensor with dust filter (left)
and bare sensor (right)

It is highly durable especially in wet atmospheres at high temperature. It has excellent linearity, fast response low hysteresis and minimal dependency on temperature that makes it suitable sensor for accurate relative humidity measurement over a long time period.


I-A has excellent interchangeability.
Standard sensor is fitted with dust filter for use in industrial environment.



Time response curve
TI-A (at 27°C)
Output curve
TA-502/TA-503
Time response curve TI-A (at 27°C) Output curve TA-502/TA-503

TYPES OF SENSOR HEADS


Rigid metal probe (B)

S-type (straight type) or L-type (angle type)
Standard probe lengths 75mm, 300mm or 450mm (max.)

Flexible cable probe (C)

Flexible cable suitable up to 100°C
Standard cable lengths: 500mm, 1,000mm & 2,000mm (max.)
Duct type probe (D) S-type (straight type) or L-type (angle type), Rubber pad provided for duct mounting, standard probe lengths 75mm, 300mm or 450mm (max.)

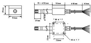
DIMENSIONS

S-type (straight type) rigid probe

L-type (angle type) rigid probe

RH transmitter 2 DIMENSIONS
LONG TERM STABILITY TEST
RESULTS OF TI-A SENSOR
Condition Duration Drift
At 80°C/ 95%rH 250 days <±2% rH
At 90°C, 90% rH 240 days <±2% rH
At 100°C, dry 5 years <±2% rH
At 40°C, 95%rH 5 years <±2% rH
In Freezer (-25°C) 2 years <±1% rH
At 150°C, dry 5 years <±2% rH
In tap water 70 hours <±2% rH
Dipped in pure distilled   70 hours <±1% rH
Dipped in ethanol 10 minutes <±2% rH
Inside room 800 days <±1% rH
In chicken farm 3 months <±2% rH
In hog farm 3 months <±2% rH
In urban city air 1 year <±2% rH
In seaside air 10 months <±1% rH
-20°C (2 hour) to 120°C (2 hours) 24 cycles <±2% rH
Back to Top
For further information please Email us tomailtashika e-mail address
Home> Products > Environmental Protection Instruments top